Home
About Us
Our Products
Our Clients
Industries
Quality Policy
Contact Us
An ISO 9001-2015 Company
Call : 9958948882 / 9711785501 / 8920412430
Email : rkm@aeipl.in
Home
About Us
Our Products
Our Clients
Industries
Quality Policy
Contact Us
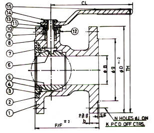
Flush Bottom Ball Valve / Tank Valve
Aastha Engineers
>
Services
>
Ball Valve
>
Flush Bottom Ball Valve / Tank Valve
Ball Valve
Butterfly Valve
Electrically / Pneumatically / Motor Operated Valve
Wafer Check Valve (NRV)
Disc Check Valve (NRV)
Swing Check Valve (NRV)
Dual Plate Check Valve (NRV)
Gate Valve
Globe Valve
Strainer
SS Corrugated Flexible Hose & Bellow
Sight Flow Indicator
Pipe Fittings
Pipe Flanges
Ferrule & Compression Fittings
Instrumentation Fittings
Gaskets
Flush Bottom Ball Valve / Tank Valve
We focus on advice consulting business financials
Get A Quote